邯郸市恒力传动机械有限公司
网站首页
公司简介
新闻中心
联轴器
车间设备
工程案例
招贤纳士
联系我们
齿式齿轮联轴器
轮胎联轴器
链轮链条联轴器
梅花联轴器
弹性联轴器
星型联轴器
当前位置:
首页
>>
联轴器
>> 弹性柱销齿式联轴器
Product recommendation
齿式齿轮联轴器
链轮链条联轴器
轮胎式联轴器
KC链轮联轴器
鼓形齿式联轴器
星形弹性联轴器
梅花形弹性联轴器
滑块联轴器
弹性柱销联轴器
弹性套柱销联轴器
弹性柱销齿式联轴器
弹性圈柱销联轴器
弹性块联轴器
刚性联轴器
柱销联轴器
立式夹壳联轴器
棒销联轴器
万向联轴器
制动轮
膜片联轴器
水泵联轴器
FCL型弹性套柱销联轴器
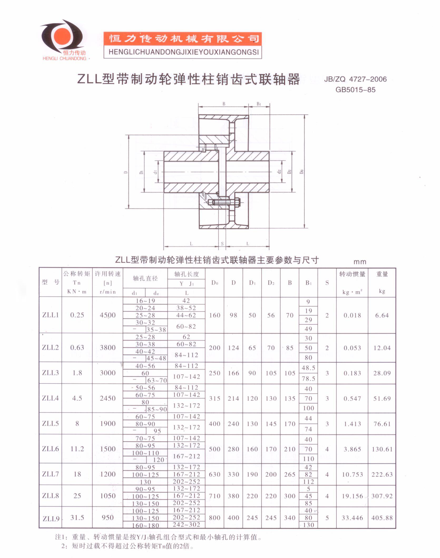
ZLL型带制动轮弹性柱销齿式联轴器
当前位置:
首页
>
联轴器
>
弹性柱销齿式联轴器
ZLL型带制动轮弹性柱销齿式联轴器
2017-4-27 9:55:27
上一篇:
ZLD型锥形孔用弹性柱销齿式联轴器
下一篇:没有了
在线咨询
online consultation
400-654-4114
全国统一客服热线
在线留言
online registration